image description
image description

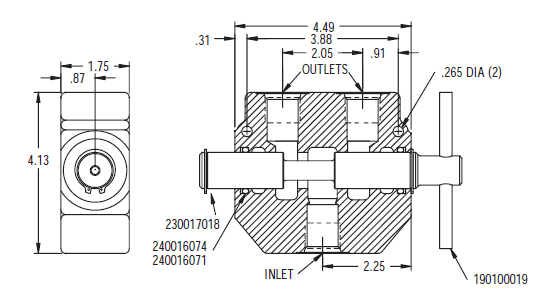
Model RD-900

Model RD-900 Selector Valve - 30 GPM

Find A Distributor

Standard Features:

  • Pressure Rating
  • Maximum Operating Pressure ........ 3000 psi
  • Flow Rating .....................................30 GPM
  • Filtration: For general purpose valves, fluid
  • cleanliness should meet the ISO 4406 19/17/14
  • level
  • Maximum Operating Temp................180°F
  • Weight .................................... Approx 7 Ibs
FUNCTION

The PRINCE valve model RD-900 is a manual 3-way 2-position selector valve. This valve will allow one pump source to supply two separate circuits. Pushing the handle in diverts oil flow to port away from handle. Pulling the handle out diverts oil flow to port nearest handle.

image description