Standard Features:
- Economical monoblock construction of high tensile strength gray cast iron.
- Load check on each spool
- Hard Chrome Plated Spools
- No face seals on spools
- Adjustable cartridge relief
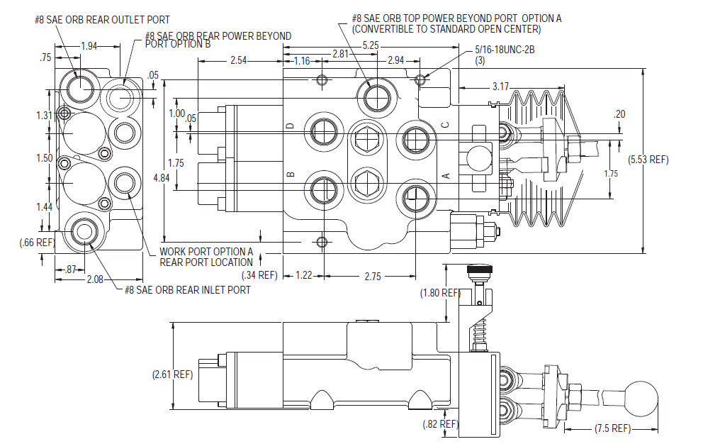
- Power beyond available
- 4 Position Series Float Spool for loader boom
- 4 Position Regen Spool for loader bucket
- Molded rubber boot
- Patented dual spool lock joystick available
- Cable Control available
- See Catalog Pages pdf for complete details and options.
SPECIFICATIONS
- Pressure Rating
- Maximum Operating Pressure ........ 3000 psi
- Nominal Flow Rating ...........................11 GPM
- Filtration: For general purpose valves, fluid
- cleanliness should meet the ISO 4406 19/17/14
- level. For extended life or for pilot operated valves,
- the 18/16/13 fluid cleanliness level is recommended.
- Maximum Operating Temp...........................180°F
- Weight .................................... Approx 18.5 Ibs