image description
image description

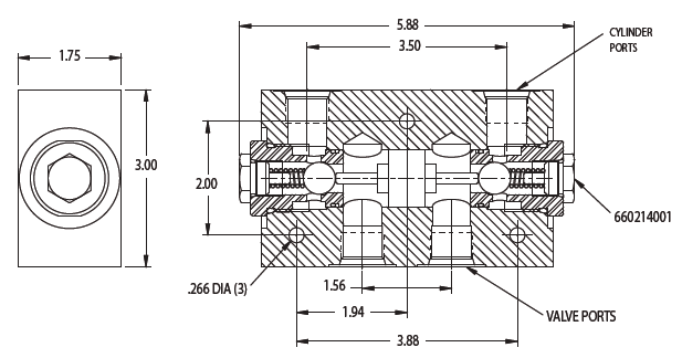
Model RD1400

Model RD-1400 Double Lock Valve - 30 GPM

Find A Distributor

Standard Features:

  • Pressure Rating
  • Maximum Operating Pressure ........ 3000 psi
  • Flow Rating .....................................30 GPM
  • Filtration: For general purpose valves, fluid
  • cleanliness should meet the ISO 4406 19/17/14
  • level
  • Maximum Operating Temp................180°F
  • Weight .................................... Approx 7 Ibs
SPECIFICATIONS

The PRINCE valve model RD-1400 is a double pilot-operated lock valve. This valve will lock a cylinder in place when a directional control valve is in the neutral position. In operation oil is directed to one of the valve ports and oil can free flow to the corresponding cylinder port. The pressure on this valve port will shift the pilot spool opening the opposite check valve. This will allow oil to return through the opposite check valve. This valve has a hardened steel seat and steel ball and therefore should not be used in applications requiring absolutely zero leakage. When using a pilot operated check to lower a heavy load the valve may chatter. An orifice in the line in some cases may be beneficial.

image description