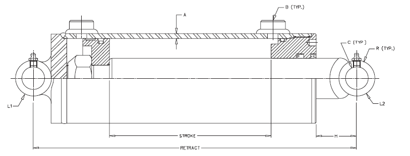
image description
image description

Eight Bore Line

3000 psi Welded Cylinder - Double Acting

Find A Distributor

Standard Features:

  • 3000 PSI Maximum Operating Pressure
  • 3000 PSI Maximum Peak Spike Pressure
  • Welded Construction
  • 8" Bore size
  • Stroke sizes 8" to 64"
  • Skived tubing
  • Chromed, ground & polished piston rod
  • Ductile iron piston & thread-in gland
  • Teflon cap seal & wear ring on piston
  • Urethane u-cup, metal encased wiper & wear ring on piston
  • Crosstube end fittings
  • Painted: Gloss black
image description

Eight Bore Line - Product Table

Eight Bore Line - Product Table
Model Number Bore x Stroke Wt Column Load Ret. Rod Dia. Value A Value B Value C Value R Value H Value L1 Value L2
SAE-68008 8 X 8 250 Full PSI 25 4 .38 #16 SAE 2.515 4 3 9 5
SAE-68012 8 X 12 275 Full PSI 28 4 .38 #16 SAE 2.515 4 3 9 5
SAE-68016 8 X 16 300 Full PSI 32 4 .38 #16 SAE 2.515 4 3 9 5
SAE-68020 8 X 20 325 Full PSI 36 4 .38 #16 SAE 2.515 4 3 9 5
SAE-68024 8 X 24 350 Full PSI 40 4 .38 #16 SAE 2.515 4 3 9 5
SAE-68030 8 X 30 385 Full PSI 46 4 .38 #16 SAE 2.515 4 3 9 5
SAE-68036 8 X 36 425 Full PSI 52 4 .38 #16 SAE 2.515 4 3 9 5
SAE-68048* 8 X 48 500 Full PSI 66 4 .38 #16 SAE 2.515 4 3 9 5
SAE-68054* 8 X 54 540 Full PSI 73 4 .38 #16 SAE 2.515 4 3 9 5
SAE-68060* 8 X 60 580 Full PSI 80 4 .38 #16 SAE 2.515 4 3 9 5